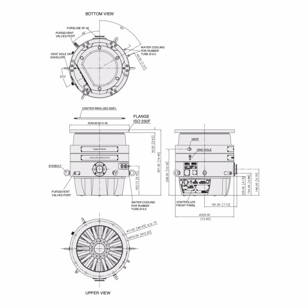
[Turbo Pumps] Turbo-V 3K-G 펌프
Agilent Turbo-V 3K-G 고효율 터보 분자 펌프는 박막 증착 장치용 터보 펌프로 사용하기 위해 특별히 설계된 전용 진공 펌핑 시스템입니다. 펌핑 스테이지 및 전체 펌프 구조는 고온 로드 상태에서 매우 높은 유량의 아르곤과 함께 작동할 수 있도록 최적화되어 있습니다. 견고한 설계를 사용한 터보 펌프는 혹독한 제조 환경에 적합합니다. 일반적인 산업용 진공 코팅 응용 분야에는 태양광 및 평판 패널 디스플레이 제조가 포함됩니다. 펌프의 견고한 설계와 고급 전자 장치 덕분에 Turbo-V 3K-G는 진공 코팅 산업을 위한 최적의 펌핑 솔루션입니다.
● 박막 증착을 위해 설계된 응용 분야별 펌핑 솔루션 ● 매우 높은 아르곤 흐름에서 작동하도록 최적화됨 ● 펌프와 컨트롤러가 통합되어 있어 설치 공간을 줄이고 간단히 작동할 수 있도록 어떠한 위치에도 설치할 수 있습니다. ● 높은 가스 흐름을 관리할 수 있어 DN250을 사용하여 고효율 응용 분야에서 작동 가능 ● 지속적인 작동을 위한 견고한 디자인과 고효율 냉각 시스템 ● 펌프 가스 퍼지는 펌프 베어링을 보호하고 시스템 오염 물질 및 미립자로 원활한 작동을 허용합니다. ● 시스템에 영향을 주지 않는 낮은 소음 레벨 ● 베어링 유지보수가 필요없어 운영 비용 제로(0) ● 이동 중 및 Profibus 사용 시 펌프 작동을 위해 Vacuum Link 앱을 통해 무선으로 제어 가능 ● 아날로그 I/O 신호 및 A-Plus 소프트웨어를 통한 원격 제어를 위한 RS232/RS485 등의 다목적 전자 인터페이스
| # | 제목 | 내용 |
|---|---|---|
| 1 | 공칭 회전 속도 | 31.8KRPM |
| 2 | 권장 포어펌프 용량 | 60 m3/h |
| 3 | 기본 압력 | <1 x 10-8 mbar |
| 4 | 무게 | 52 kg |
| 5 | 시작 시간 | < 6분 |
6 | 작동 위치 | Any |
| 7 | 주변 작동 온도 | +5 to +35 °C |
| 8 | 주변 저장 온도 | -20~+70 °C |
| 9 | 펌핑 속도 - Ar | 2050 L/s |
| 10 | 펌핑 속도 - He | 1900 L/s |
| # | 제목 | 내용 |
|---|---|---|
| 11 | 펌핑 속도 - N2 | 2200 L/s |
| 12 | 포어라인 허용 압력 - N2 | 0.5 mbar |
| 13 | 표준 및 인증 | EN 55011(무선 방해 특성) EN 61000-3-2(고조파 전류 방출 제한) EN 61000-3-3(전압 변화 제한, 전압 변동 및 플리커) EN 61000-6-2 및 EN 61326(산업 환경내성): EN 61000-4-2(정전기 방전 현상) EN 61000-4-3(방사 고주파 현상) EN 61000-4-4, EN 61000-4-5, EN61000-4-6(전도 고주파 현상) EN 61000-4-11( |
| 14 | ||
| 15 | 16 | |
| 17 | ||
| 18 | ||
| 19 | ||
| 20 |
PDF #1 파일 : 브로셔_Turbo-V 3K-G System Brochure.pdf (1.1M)
최종수정일 : 2022-01-19 13:20:40
PDF #2 파일 : 사용자 설명서_Copy of Turbomolecular Pump Installation and Flange Fastening Handbook Quick Guide.pdf (107.1K)
최종수정일 : 2022-01-19 13:20:40
PDF #3 파일 : 사용자 설명서_Copy of TV-3K-G.PDF (6.2M)
최종수정일 : 2022-01-19 13:20:40
관리자
2022.01.19 13:02
4,418
0
문의글목록 0