[IDP Pumps] IDP-10 드라이 스크롤 펌프
Agilent IDP-10 드라이 스크롤 펌프는 원격 속도 제어가 가능한 콤팩트한 오일 프리의 무소음 분리형 진공 펌프입니다. IDP-10는 인버터 구동 모터를 사용하며 전 세계 모든 주파수와 입력 전압에서 동일한 진공 성능을 제공합니다. 일관된 글로벌 성능과 콤팩트한 크기는 분석 기기 및 산업 OEM을 위한 이상적인 선택입니다. 모터와 모든 베어링이 진공 경로에서 완전히 분리되도록 설계된 밀폐형 IDP 펌프는 베어링 수명을 늘리며 깨끗하고 건조한 진공 환경을 제공합니다. IDP 펌프는 단면 스크롤 설계를 사용하여 간단한 도구를 통해 15분 만에 유지보수 절차가 완료됩니다. 옵션으로 제공되는 고장 없는 차단 밸브는 예상치 못한 오염을 방지하고 펌프의 높이를 불필요하게 높이지 않습니다.
● 전 세계 모든 주파수와 입력 전압에서 보편적인 펌핑 성능을 제공하는 콤팩트한 펌프 ● 원격 속도 제어 또는 켜기/끄기 기능 ● 깨끗한 오일 프리 진공 경로 - 빈번한 유지보수 없음, 오염 위험 없음 ● 밀폐형 설계 및 완전히 분리되는 모터와 베어링 ● 베어링 보호로 수증기에 높은 내성 제공 ● 조용한 작동으로 작업장 환경 개선 ● 낮은 진동 - 기기에 영향 없음 ● 옵션인 일체형 차단 밸브는 시스템을 보호하며 주입구의 높이를 불필요하게 높이지 않음 ● 빠른 유지보수와 긴 사용 수명 ● Triple Quadrupole GC/MS 기기에서 사용하기에 이상적임
| # | 제목 | 내용 |
|---|---|---|
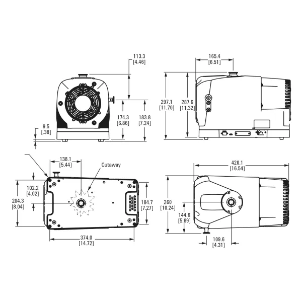
| 1 | 규격(WxHxL) | 10.05 in x 11.7 in x 16.54 in |
| 2 | 기본 압력(50Hz) - Torr 및 mbar | 2.0 x 10-2 mbar 1.5 x 10-2 Torr |
| 3 | 기본 압력(60Hz) - Torr 및 mbar | 2.0 x 10-2 mbar 1.5 x 10-2 Torr |
| 4 | 길이 | 16.54 in |
| 5 | 노이즈 수준 | 53 dB(A) |
6 | 높이 | 11.7 in |
| 7 | 무게(펌프만) | 24.7 kg 54.5 lbs |
| 8 | 배기구 연결 | NW16 |
| 9 | 배송 중량 | 28.1 kg 62 lbs |
| 10 | 입력 전압 | 100-127 200-240VAC |
| # | 제목 | 내용 |
|---|---|---|
| 11 | 작동 환경 온도 | 5~40°C 41~104°F |
| 12 | 주입구 연결 | NW25 |
| 13 | 주입구 최대 압력 | 1.0atm(0psig) |
| 14 | 펌핑 속도(50Hz) | 10.2m3/h(최대 회전 속도에서) 170L/분(최대 회전 속도에서) |
| 15 | 펌핑 속도(60Hz) | 10.2m3/h(최대 회전 속도에서) 170L/분(최대 회전 속도에서) |
16 | 폭 | 10.05 in |
| 17 | ||
| 18 | ||
| 19 | ||
| 20 |
PDF #1 파일 : 브로셔_5991-7583KO.pdf (5.7M)
최종수정일 : 2022-01-20 10:25:05
PDF #2 파일 : 브로셔_IDP_Dry_Scroll_Vacuum_Pumps_5991-7583EN_Brochure_LR.pdf (5.9M)
최종수정일 : 2022-01-20 10:25:05
PDF #3 파일 : 카탈로그_catalog-dry-scroll-pumps-5994-0304en-agilent.pdf (17.0M)
최종수정일 : 2022-01-20 10:25:05
PDF #4 파일 : 카탈로그_catalog-dry-scroll-pumps-5994-0304ko-kr-agilent.pdf (9.0M)
최종수정일 : 2022-01-20 10:25:05
PDF #5 파일 : 사용자 설명서_IDP-7 IDP-10 Tip Seal Replacement kit.pdf (2.7M)
최종수정일 : 2022-01-20 10:25:05
PDF #6 파일 : 사용자 설명서_IDP-7, IDP-10 Inlet Fitting Replacement Kit.pdf (375.7K)
최종수정일 : 2022-01-20 10:25:05
PDF #7 파일 : 사용자 설명서_IDP-7, IDP-10 VPI Valve Major Replacement Kit.pdf (1.7M)
최종수정일 : 2022-01-20 10:25:05
PDF #8 파일 : 사용자 설명서_IDP-7, IDP-10 VPI Valve Minor Replacement Kit.pdf (1.4M)
최종수정일 : 2022-01-20 10:25:05
PDF #9 파일 : 사용자 설명서_IDP-10 Dry Scroll vacuum Pump.pdf (1.4M)
최종수정일 : 2022-01-20 10:25:05
PDF #10 파일 : 사용자 설명서_Tip Seal Replacement Procedure for IDP-10 Pump Quick Reference Card.pdf (1.4M)
최종수정일 : 2022-01-20 10:25:05
관리자
2022.01.20 10:25
3,070
0
문의글목록 0