[TriScroll Pumps] TriScroll 300 인버터 펌프
Agilent TriScroll 300 인버터 펌프는 드라이 스크롤 펌프이며 펌핑 속도는 15m3/시간(250L/분)입니다. TriScroll 300 인버터 펌프는 주파수 인버터 기술과 Agilent TriScroll 진공 펌프의 성능 우수성을 결합하였습니다. TriScroll 300 인버터 펌프에 적용된 주파수 인버터 기술은 전 세계의 모든 전압 및 주파수 조건에서 최적의 일관된 성능을 제공합니다. TriScroll 300 인버터 드라이 스크롤 펌프 덕분에 오일 씰 로터리 베인 펌프에 잦은 유지보수가 필요하지 않으며 규제 및 환경 규정 준수를 간소화하고 오일 폐기 비용을 절감할 수 있습니다.
● 펌핑 속도 15m3/시간(250L/분) ● 라인 주파수와 관계없이 펌프 속도를 일정하게 유지 ● RS-232 또는 0~10V 제어 신호를 통해 회전 속도를 조정하여 최적의 펌핑 속도 선택 가능 ● 펌프 파라미터는 시리얼 인터페이스를 사용해 모니터링 가능 ● 표준 D 셸 커넥터는 원격 시작 및 중지를 위한 접점 폐쇄 기능 제공 ● 최적의 회전 속도를 선택하면 기본 압력 성능 저하 없이 작업 구역의 노이즈 및 진동 레벨을 줄임 ● Agilent A-PLUS 소프트웨어 사용하기
| # | 제목 | 내용 |
|---|---|---|
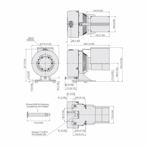
| 1 | 규격(WxHxL) | 10.8 in x 14 in x 16.9 in |
| 2 | 기본 압력(50Hz) - Torr 및 mbar | 1.3 x 10-2 mbar 1 x 10-2 Torr |
| 3 | 기본 압력(60Hz) - Torr 및 mbar | 1.3 x 10-2 mbar 1 x 10-2 Torr |
| 4 | 길이 | 16.9 in |
| 5 | 노이즈 수준 | 55~68 dB(A) |
6 | 높이 | 14 in |
| 7 | 무게(펌프만) | 26 kg 57 lbs |
| 8 | 배기구 연결 | NW16 |
| 9 | 배송 중량 | 34 kg 74 lbs |
| 10 | 입력 전압 | 100-115V, 200-240V, 1Ø, 50/60Hz |
| # | 제목 | 내용 |
|---|---|---|
| 11 | 작동 환경 온도 | 5~40°C 41~104°F |
| 12 | 주입구 연결 | NW25 |
| 13 | 주입구 최대 압력 | 1.0atm(0psig) |
| 14 | 펌핑 속도(50Hz) | 15m3/h(최대 속도에서) 250L/분(최대 속도에서) |
| 15 | 펌핑 속도(60Hz) | 15m3/h(최대 속도에서) 250L/분(최대 속도에서) |
16 | 폭 | 10.8 in |
| 17 | ||
| 18 | ||
| 19 | ||
| 20 |
PDF #1 파일 : 카탈로그_catalog-dry-scroll-pumps-5994-0304en-agilent.pdf (17.0M)
최종수정일 : 2022-01-20 12:38:13
PDF #2 파일 : 카탈로그_catalog-dry-scroll-pumps-5994-0304ko-kr-agilent.pdf (9.0M)
최종수정일 : 2022-01-20 12:38:13
PDF #3 파일 : 사용자 설명서_6999-04-341A TriScroll Purge Kit Field Installation Instructions.pdf (228.1K)
최종수정일 : 2022-01-20 12:39:07
PDF #4 파일 : 사용자 설명서_6999-04-385A TriScroll Vibration Isolation Kit Instruction Manual.pdf (204.3K)
최종수정일 : 2022-01-20 12:39:07
PDF #5 파일 : 사용자 설명서_6999-04-410A TriScroll In-line Exhaust Silencer and Vibration Isolation Instruction Manual.pdf (2.7M)
최종수정일 : 2022-01-20 12:40:26
PDF #6 파일 : 사용자 설명서_TriScroll 300 Inverter Dry Scroll Vacuum Pump.pdf (1.6M)
최종수정일 : 2022-01-20 12:39:07
PDF #7 파일 : 사용자 설명서_TriScroll 300 series Dry Scroll Vacuum Pump Major Maintenance manual.pdf (57.4M)
최종수정일 : 2022-01-20 12:39:07
PDF #8 파일 : 사용자 설명서_TriScroll 300 Series Dry Scroll Vacuum Pump Module Replacement EN.pdf (7.9M)
최종수정일 : 2022-01-20 12:39:07
PDF #9 파일 : 사용자 설명서_TriScroll 300 Series Dry Scroll Vacuum Pump Module Replacement KOR.pdf (8.0M)
최종수정일 : 2022-01-20 12:39:07
PDF #10 파일 : 사용자 설명서_TriScroll 300 series Dry Scroll Vacuum Pump Tip Seal Replacement.pdf (6.2M)
최종수정일 : 2022-01-20 12:39:07
PDF #11 파일 : 사용자 설명서_TriScroll Exhaust Silencer Kit.pdf (1.2M)
최종수정일 : 2022-01-20 12:39:07
관리자
2022.01.20 11:47
3,042
0
문의글목록 0