[TriScroll Pumps] TriScroll 600 펌프
Agilent TriScroll 600 진공 펌프는 2단계 드라이 스크롤 펌프이며 펌핑 속도 30m3/시간(500L/분)으로 가동됩니다. TriScroll 600 덕분에 오일 씰 로터리 베인 펌프에 잦은 유지보수가 필요하지 않으며 규제 및 환경 규정 준수를 간소화하고 오일 폐기 비용을 절감할 수 있습니다. Agilent TriScroll 양면 드라이 스크롤 펌프는 자동 공기 밸러스트를 장착해 펌핑 속도에 영향 주지 않고 수증기 관리가 가능하며 일관된 성능을 제공하고 유지 비용이 저렴합니다.
● 높은 펌핑 속도(30m3/시간, 500L/분) 및 낮은 최종 압력으로 깨끗하고 건조한 진공 환경 제공 ● 팁 씰의 긴 수명 보장 ● 베어링 퍼지 포트로 간단한 유지보수 및 긴 베어링 수명 보장 ● 자동 공기 밸러스트는 펌핑 속도에 영향 주지 않고 수증기 관리 가능
| # | 제목 | 내용 |
|---|---|---|
| 1 | 기본 압력(50Hz) - Torr 및 mbar | 9.3 x 10-3 mbar 7 x 10-3 Torr |
| 2 | 기본 압력(60Hz) - Torr 및 mbar | 9.3 x 10-3 mbar 7 x 10-3 Torr |
| 3 | 노이즈 수준 | 68 dB(A) |
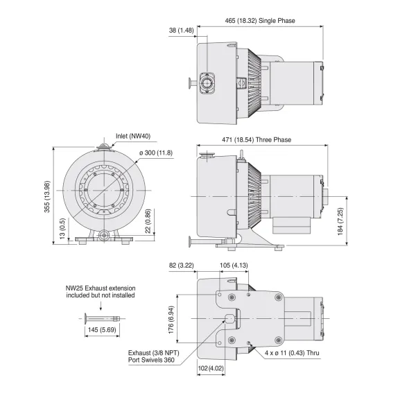
| 4 | 높이 | 14 in |
| 5 | 무게(펌프만) | 32 kg 70 lbs |
6 | 배송 중량 | 40 kg 87 lbs |
| 7 | 작동 환경 온도 | 5~40°C 41~104°F |
| 8 | 주입구 최대 압력 | 1.0atm(0psig) |
| 9 | 펌핑 속도(50Hz) | 25.2m3/h 420L/분 |
| 10 | 펌핑 속도(60Hz) | 30m3/h 500L/분 |
| # | 제목 | 내용 |
|---|---|---|
| 11 | 폭 | 11.8 in |
| 12 | ||
| 13 | ||
| 14 | ||
| 15 | 16 | |
| 17 | ||
| 18 | ||
| 19 | ||
| 20 |
PDF #1 파일 : 카탈로그_catalog-dry-scroll-pumps-5994-0304en-agilent.pdf (17.0M)
최종수정일 : 2022-01-20 12:59:48
PDF #2 파일 : 카탈로그_catalog-dry-scroll-pumps-5994-0304ko-kr-agilent.pdf (9.0M)
최종수정일 : 2022-01-20 12:59:48
PDF #3 파일 : 사용자 설명서_6999-04-341A TriScroll Purge Kit Field Installation Instructions.pdf (228.1K)
최종수정일 : 2022-01-20 12:59:48
PDF #4 파일 : 사용자 설명서_6999-04-385A TriScroll Vibration Isolation Kit Instruction Manual.pdf (204.3K)
최종수정일 : 2022-01-20 12:59:48
PDF #5 파일 : 사용자 설명서_6999-04-410A TriScroll In-line Exhaust Silencer and Vibration Isolation Instruction Manual.pdf (2.7M)
최종수정일 : 2022-01-20 12:59:48
PDF #6 파일 : 사용자 설명서_TriScroll 600 series Dry Scroll vacuum Pump Major Maintenance manual.pdf (52.8M)
최종수정일 : 2022-01-20 13:00:32
PDF #7 파일 : 사용자 설명서_TriScroll 600 series Dry Scroll Vacuum Pump Module Replacement.pdf (7.4M)
최종수정일 : 2022-01-20 13:00:32
PDF #8 파일 : 사용자 설명서_TriScroll 600 series Dry Scroll Vacuum Pump Tip Seal Replacement.pdf (6.7M)
최종수정일 : 2022-01-20 13:00:32
PDF #9 파일 : 사용자 설명서_TriScroll 600 series Dry Scroll vacuum Pump.pdf (1.7M)
최종수정일 : 2022-01-20 13:00:32
PDF #10 파일 : 사용자 설명서_TriScroll Exhaust Silencer Kit.pdf (1.2M)
최종수정일 : 2022-01-20 13:00:32
관리자
2022.01.20 12:54
2,862
0
문의글목록 0